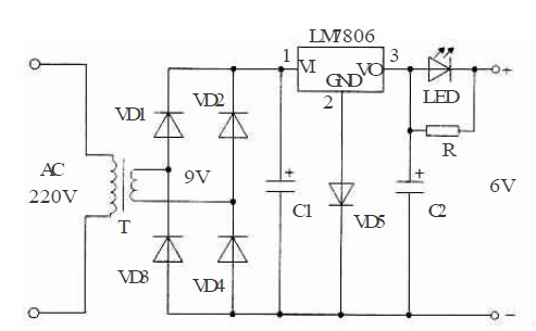
电子爱好者自制的摩托车6 V充电器见图1、图2所示。T 为一只小型电源变压器,将市电220 V降压为9 V交流电压。VD1~VD4 为桥式整流电路,将9 V交流电压整流为脉动直流电压,再经C1 滤波、LM7806 稳压,输出6. 7 V左右的稳定直流电压,再经C2 作进一步滤波。LM7806 为三端稳压器,它稳压输出为6 V,但为什么这里能输出6. 7 V呢?原因是LM7806 的②脚串入了一只VD5(硅整流二极管),使LM7806 的输出端③脚提高0. 7 V,从而确保充电器电压高于摩托车蓄电池电压,以利用充电顺利进行。充电时,将摩托车蓄电池接到充电器的输出端(蓄电池正极接"+"负极接" ",不可接反) ,把T 的初级通过电源插头接,市电,这时发光二极管LED发光,即指示正在充电。当蓄电池冲至≥6V时,发光二极管LED呈反偏而熄灭,充电停止,表示充电完毕。

图1 充电器电路图

图2 充电器印板电路
给摩托车蓄电池充电前,要进行必要的检查。摩托车一般采用电压为6 V,电流为0. 4 A的蓄电池。充电时,首先将蓄电池从摩托车上拆下检查,如果有明显硫酸腐蚀现象,或在其电极下方已堆满了沉积物,或者在蓄电池外面已出现裂纹而且有漏夜,就应该更换新蓄电池了。也就是说:只有无损坏完整的蓄电池,才可予以充电。再就是要检查一下摩托车蓄电池内的电解液是否充足;若不足,应补足蒸馏水才可上机充电。
充电前要取下蓄电池上的盖塞,接通电源即开始充电,视指示灯熄灭,则告充电完毕;若是选用其他稳压电源,则在充电6 h 后用万用表测试蓄电池电压,如果达到6 V则说明充好了。若没到6 V则仍需充电。
充电时,不论是采用何种稳压电源给摩托车蓄电池充电,其正、负极均是分别接在蓄电池的正、负极上。